Leírás
Centrometal CAS-4003 HV fűtési és hűtési puffer tartály hőszigeteléssel
A hűtési és fűtési puffer tartály alacsony és magas hőmérsékletű víz tárolására, illetve ilyen típusú rendszerbe való beépítésre egyaránt alkalmazható. Az állási hőveszteség jelentős mértékű csökkentése érdekében, alapfelszereltségben egy speciális, a kondenzáció kialakulását gátló, 30 mm vastagságú hőszigeteléssel szállított.
Az esetleges szűkebb nyílásokon keresztüli mozgatás vagy a szállítás egyszerűsítése érdekében, a tartályt csupaszon, a szigetelést mellé csomagolva szállítjuk. A tartályra, a helyre való beállítása után a hőszigetelés könnyedén és gyorsan feltehető.
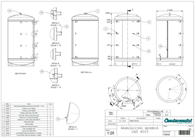
Ellenőrzött és kiváló minőségű acéllemezből készülő tartálytest, melyet kívülről a gyártás végén egy speciális védőfestéssel látnak el. A gyártás során nyomás próbázott tartály 2x 4 db 6/4"-os előremenő és visszatérő csatlakozással szerelt. A tartály hűtési/fűtési rendszer csatlakozások közül a felső és az alsók, a víz egyenletesebb keveredése érdekében terelő lemezekkel ellátottak. A négy középső csatlakozás bármelyikébe egy 6/4" csatlakozási méretű elektromos fűtőbetét beköthető, így a fűtési meleg víz, igény esetén elektromos úton is előállítható.
A rendszerbe kapcsolt puffertartályok, a hőforrásból származó hőenergiát felfogják, tárolják, majd a fűtési vagy hűtési igényeknek megfelelő ütemben rendelkezésre bocsájtják. A Centrometal CAS HV fűtési/hűtési pufferek standard kialakításban 300 és 5000 liter közötti űrtartalomban készülnek. 5000 liter felett teljesen egyedi, a vevői igényhez igazodó méretben és kialakításban is megrendelhetők. A Centrometal által készített legnagyobb puffer tartály 200.000 liter űrtartalmú volt (lásd lenti kép).
A puffer tartályok fűtési célú felhasználása esetében, a méretezéséhez használt gyártói ökölszabályt a következő útmutató alapján adjuk meg.
- faelgázosító kazánhoz minimum 50 liter puffer tartály űrtartalom / 1 kW kazánteljesítmény
- vegyes tüzelésű kazánhoz minimum 30 liter puffer tartály űrtartalom / 1 kW kazánteljesítmény
- pellet tüzelésű kazánhoz minimum 10 liter puffer tartály űrtartalom / 1 kW kazánteljesítmény
- apríték tüzelésű kazánhoz minimum 12 liter puffer tartály űrtartalom / 1 kW kazánteljesítmény
Letölthető dokumentumok. A letöltéshez kérjük, kattintson a lenti képekre!



A CAS-XX3 HV fűtési és hűtési puffer tartályok legfontosabb jellemzői:

- Acéllemez tartály test 2 mm-es falvastagsággal
- A tartály alapja 3 mm vastagságú
- 30 mm speciális kondenzáció gátló szigetelés
- Tartályban lévő víz hőmérsékletének méréséhez függőleges elhelyezésű szenzor tartó
- 2 soros 4 pontos csonkozású 90°-ban elforgatott 6/4”-os csatlakozók
- 1 soros 4 pontos csonkozású 1/2"-os csatlakozók hőmérséklet kijelzőhöz
Rendelhető kiegészítők:
- egyedi méretezésű és kiosztású csatlakozó csonkok
GARANCIA: 3 év teljes körű garancia a tartályt test hegesztési minőségére és víz szivárgásra, valamint a tartály többi komponensére
Tulajdonságok
GYÁRTÓ | Centrometal d.o.o. |
FELHASZNÁLÁS CÉLJA | Hűtési / fűtési |
BEÉPÍTETT HMV TARTÁLY | 0 db |
TERMÉK TÍPUS | Puffer tartály |
TÍPUSA | szén-acél |
HŐCSERÉLŐ(K) SZÁMA | 0 db |
TELEPÍTÉS MÓDJA | Padlón álló |
TELJESÍTMÉNY | 0 kW |
ANÓD VÉDELEM | 0 db |
MAXIMÁLIS ÜZEMI NYOMÁS | 3 bar |
ENERGIA OSZTÁLY | C |